1、產品型號: SMA/MS180-KWK-2
2、料號:00.00.001.0465
3、
| 特性阻抗 | 50 Ω |
| 頻率范圍 | DC~6GHz |
| 電壓駐波比 | DC~6GHz / ≤1. 35 |
| 額定電壓值 | 335V (海平面20℃,50Hz交流有效值) |
| 絕緣電阻 | ≥500 MΩ |
| 插入損耗 | ≤0.4dB |
| 工作溫度范圍 | -10℃~85℃ |
| 工作濕度 | 10%~95%RH |
| 大氣壓力 | (4~106)kPa |
| 應用化學環境要求 | 周圍空氣中應無酸性、堿性或其他腐蝕氣體 |
| 機械壽命 | 3000次(最少) |
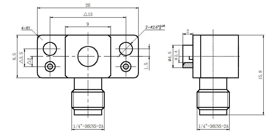
4、產品外觀圖:

5、外觀結構圖:


天貓https://detail.tmall.com/item.htm?abbucket=18&id=718864448639
